(一)男子组
项目 | 标 准 | |
30岁(含)以下 | 31岁(含)以上 | |
10米×4往返跑 | ≤13″1 | ≤13″4 |
1000米跑 | ≤4′25″ | ≤4′35″ |
纵跳摸高 | ≥265厘米 | |
(二)女子组
项目 | 标 准 | |
30岁(含)以下 | 31岁(含)以上 | |
10米×4往返跑 | ≤14″1 | ≤14″4 |
800米跑 | ≤4′20″ | ≤4′30″ |
纵跳摸高 | ≥230厘米 | |
备注:综合管理、执法勤务职位测查全部3个项目,警务技术职位免予测查1000米(男)/800米(女)跑项目;对专业人才紧缺难以形成竞争的特殊职位,经省级以上公务员主管部门同意,可以适当放宽体能测评有关项目标准或者免予测查体能测评项目;凡应测项目中任意一项不达标的,即为体能测评不合格。年龄计算时间截止到参加体能测评当月。
公安机关录用人民警察体能测评实施规则
一、10米×4往返跑
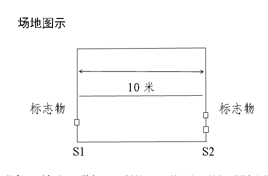
场地器材:场地为10米长的直线跑道,在跑道的两端各划一条5cm宽直线(S1和S2),将木块(10cm×5cm×5cm)按每道3块竖立摆放(其中2块放在S2线上,1块放在S1线上),秒表若干块。

组测方法:发令员、计时员、监督员、成绩记录员若干名。按组别进行测试,每人最多可测2次,1次测评达标,即视为该项目测评合格。成绩以“秒”为单位,保留1位小数,第2位小数非“0”时则进1。
动作要求:受测试者采用站立式起跑,听到发令后从S1线外跑到S2线前(脚不得踩线)用手将竖立的木块推倒后折返,往返跑2次,每次推倒1个木块,第2次返回时冲出S1线。
注意事项:测试时有以下任一情况,不计取成绩:
1.出发时抢跑;
2.折返时脚踩S1或S2线;
3.折返时未推倒木块。
二、男子1000米跑、女子800米跑
场地器材:400米标准田径场,发令枪、发令旗、秒表、号码标识若干。
组测方法:发令员、计时员、弯道检查员、监督员、成绩记录员若干名。按组别进行测试,每人最多可测1次。计时员看到发令信号计时开始,当受测试者躯干越过终点线时停表。计时员准确计时,记录员负责登记每人成绩。成绩以“分+秒”为单位,不保留小数位,小数位非“0”时则进1。
动作要求:受测试者统一采用站立式起跑姿势,在起跑线外听到或看到发令信号时开始起跑,跑完相应距离越过终点线后视为完成测试。
注意事项:测试时有以下任一情况,不计取成绩:
1.出发时抢跑;
2.出发时脚踩线;
3.途中跑时超越或踩踏最内侧跑道线。
三、纵跳摸高
场地器材:通常在室内场地测试,起跳处铺垫厚度不超过2厘米的硬质无弹性垫子。如选择室外场地测试,需在天气状况许可的情况下进行,当天平均气温应在15—35摄氏度之间,无太阳直射、风力不超过3级。
组测方法:裁判员、监督员、成绩记录员若干名。按组别进行测试,每人最多可测3次,1次测试达标,即视为该项目测试合格,3次均未达标者视为不合格。成绩仅为“合格”或“不合格”两项。
动作要求:受测试者赤脚或穿袜,双脚自然分开,呈站立姿势。接到开始测试指令后,受测者屈膝半蹲,双臂后摆,随后双脚蹬地垂直向上起跳,同时双臂向前上方快速摆动,举起一侧优势手触摸合格高度的目标物,触摸到相应高度者视为合格。
注意事项:测试时有以下任一情况,不计取成绩:
1.起跳时双腿有移动或有垫步动作;
2.手指甲超过指尖0.3厘米;
3.戴手套等其他物品;
4.穿鞋进行测试。

